谱析检坛:气相色谱仪气路系统结构传递方向(图解)
2019-04-27 13:52:37来源:admin
在气相色谱仪整套分析系统中,由气路系统、进样系统、色谱柱和柱温、检测系统、记录系统等五大部分组成,而气路系统有单柱单气路和双柱双气路两种气路形式,其结构与工作过程传递如下图所示:
单柱单气路结构示意图
1—载气钢瓶;2—减压阀;3—净化管;4—气流调节阀;
5—转子流量计;6-压力表;7—进样器;8—色谱柱;
9—检测器;10—放大器;11—温度控制器;12—记录仪
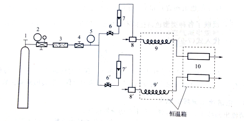
双柱双气路结构示意图
1—载气钢瓶;2—减压阀;3—净化管;4—稳压阀;
5-压力表;6—针型阀;7—转子流量计;
8—进样器;9—色谱柱;10—检测器′
双柱双气路型气相色谱仪安装了两根色谱柱,故具有两台气相色谱仪的功能。




