谱析浅谈变压器油色谱分析方法
1 概述
变压器的长期运行,加上周边环境、温度等的影响,不可避免将引发故障和事故,特别是变压器长期运行后造成的绝缘老化、材质劣化及预期寿命缩短,已成为发生故障的主要因素。变压器油的色谱分析是变压器化学绝缘监督的重要手段之一,本文首先介绍了变压器油色谱仪分析的原理,就变压器油色谱分析流程、方法进行了说明,对基于气相色谱仪的定性与定量分析的方法进行了研究和探索。
2 变压器油色谱仪分析的原理
2.1 变压器故障的原因
变压器在发生突发性事故之前,绝缘的劣化及潜伏性故障将造成运行电压下产生光、电、声、热,化学变化等一系列效应及信息。对于大型电力变压器,目前几乎采用油来绝缘和散热,变压器油与油中的固体有机绝缘材料(纸和纸板等)在运行电压下因电、热、氧化和局部电弧等多种因素作用会逐渐变质,裂解成低分子气体;变压器内部存在的潜伏性过热或放电故障又会加快产气的速率。随着故障的缓慢发展,裂解出来的气体形成泡在油中经过对流、扩散作用,就会不断地溶解在油中。同一类性质的故障,其产生气体的组分和含量在一定程度上能反映出变压器绝缘老化或故障的程度,可作为反映电气设备异常的特征量。
从预防性维修制形成以来,电力运行部门通过定期分析运行中变压器溶解于油中的气体组分、含量及产气速率,总结出了能够及早发现变压器内部存在潜伏性故障、判断其是否会危及安全运行的方法,即油色谱分析法。油色谱分析法是将变压器油取回实验室中用色谱仪进行分析,不仅不受现场复杂电磁场的干扰,而且可发现油设备中一些用介损和局部放电法所不能发现的局部性过热等缺陷。
2.2 影响变压器油色谱仪分析准确度的主要因素
(1) 样品的稳定性与代表性。
试验油样最好用500-1000ML的小口玻璃瓶或100ML玻璃注射器取,无特殊情况时,取样都要从设备底部取样口取样,若设备异常或故障时可从高、中、低三个取样口分别取样进行对比。在取样和存放的过程中,要避免样品接触空气。色谱样品保存不能超过4天,油样和气体保存必须避光、防尘。运输过程中应尽量避免剧烈震动。空运时要避免气压变化,保证注射器芯无卡涩、破损。气样最好用干燥的玻璃注射器取样和储存。有压力系统可用小钢瓶取样,若用橡皮球胆取样,则存放几十分钟后便会有某些组分含量发生改变,必须随取随用。
(2) 进样系统的影响。
采用一定体积进样法进行定量分析时,进样的重复性是一个很关键的问题。进样操作要做到“三快三防”,三快是指进针快、准,推针要快,取针要快;三防是指防漏出气样、防样气失真、防操作条件变化。同时,汽化室的温度也要保持高于样品沸点约50℃以上,以保证样品的瞬间汽化。
(3) 柱系统的影响。
如果两组分在色谱柱上不能完全分离,测量峰面积就会带来误差。此外,鉴定器的工作条件,操作条件的稳定性等对定量分析也有较大影响。
2.3 色谱仪分析法的优点。
(1) 分离效能高:它具有能分离和分析物理化学性质极为相近的物质(如:同位素有机化合物中的同分异构体等),对组分极为复杂的混合物(如石油产品的组分等)也能得到满意的分离和分析。
(2) 分析速度快:色谱分析只要几分钟或十几分钟就可以完成含有几个或几十个组分的样品分析。
(3) 样品用量少:完成一个分析只需要几毫升甚至更少的样品。
(4) 灵敏度高:可以鉴别出十万分之几或万分之几的组分含量或杂质质量。
(5) 适应范围广:不仅可以分析气体,还可以分析液体以及包含在固体中的气体。
色谱分析法由于以上特点在工业、国防、医药等方面得到广泛的应用。这项技术从七十年代初在我国电力系统得以推广应用,已成为判断充油电气设备内部故障的重要手段之一。
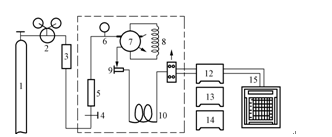
3 变压器油色谱分析流程气相色谱法一般包括三部分:载气系统、色谱柱和检测器,如图1所示。
图1 油色谱分析系统结构
图2 油色谱分析流程图
3 利用色谱仪进行色谱分析的方法
3.1 定性分析
(1) 利用保留值定性。
第一种是已知物对照法。根据同一种物质在同一根色谱柱上和相同的操作条件下保留值相同的原理进行定性。将适量的已知对照物质加入样品中,混匀,进样,对比加入前后的色谱图,若加入后某色谱峰相对增高,则该色谱组分与对照物质可能为同一物质。由于所用的色谱柱不一定适合于对照物质与待定性组分的分离,因此即使为两种物质,也可能产生色谱蜂叠加现象。为此需再选一根与上述色谱柱极性差别较大的色谱柱再进行实验。若在两根柱上该色谱峰都产生叠加现象,一般可认定二者是同一物质。已知物对照法对于已知组分的复方药物和工厂的定型产品分析尤为实用。
第二种是用相对保留值定性。测定各组分的相对保留值,与色谱手册数据对比进行定性。相对保留值是待定性组分与参考物质的调整保留值之比。由于分配系数只决定于组分的性质、柱温与固定液的性质,因而相对保留值与固定液的用量、柱长、载气流速及柱填充情况等无关,故气相色谱手册及文献都登载相对保留值。利用此法时先查手册,根据手册规定的实验条件及参考物质进行试验。
(2) 利用两谱联用定性。
气相色谱仪的分离效率很高,但仅用色谱数据定性却很困难。红外吸收光谱、质谱及核磁共振谱等是鉴定未知物的有力工具,但要求所分析的样品成分尽可能单一。因此将气相色谱仪作为分离手段,将质谱仪、红外分光光度计等充当检测器,两者取长补短,这种方法称为色谱-光谱联用,简称两谱联用。联用方式有两种,一种是联合制成—件完整的仪器称为联用仪(在线联用)。另外一种是先收集某气相色谱分离后的各纯组分,而后用光谱仪测定它们的光谱进行定性,称为两谱联用法,该方法属于非在线联用.
目前比较成熟的在线联用仪有气相色谱-质谱联用仪和气相色谱-红外光谱联用仪。气相色谱一质谱联用仪(GC-MS)由于质谱的灵敏度高(需样量仅10-11~10-8g)、扫描时间快(0~1000质量数,扫描时间可短于1s),并能准确测定未知物的分子量。通过给出的多种结构信息,根据质谱对每个色谱组分进行定性。气相色谱-红外光谱联用仪(GC-FTIR)傅里叶变换红外分光光度计(FTIR)扫描速度快(全渡数扫描0.1s至几秒),灵敏度高(信号可累加),而且红外吸收光谱的特征性强,因此GC-FTIR也是一种很好的联用仪器,能对组分进行定性鉴定。
(3) 利用加入纯物质增高峰值的方法。
若出峰时间相差很小,测量保留值有一定误差,而样品组分又比较复杂且不易推测时。通过保留值可初步定性,并把可能范围缩小到几种化合物,然后用纯物质进行核对。方法是把一种或几种纯物质先后分别加入样品中,如果加某种纯物质时某组分的峰值增高,则该峰即表示此物质。
3.2 定量分析
变压器油的量与它在色谱图上的蜂面积(或蜂高减正比.数据处理工作站)可以给出包括峰高和峰面积在内的多种色谱数据。因为峰高比峰面积更容易受分析条件波动的影响,且峰高标准曲线的线性范围也较峰面积的窄,因此通常采用峰面积进行定量分析。
用气相色谱法测定绝缘油中溶解气体的组分含量,是发供电企业判断运行中的充油电力设备是否存在潜伏性的过热、放电等故障,以保障电网安全有效运行的有效手段。也是充油电气设备制造厂家对其设备进行出厂检验的必要手段。
相关内容
- 11个月前液化气分析仪液化石油气取样方法
- 11个月前一次性内裤环氧乙烷残留量的标准与法规
- 11个月前白酒分析气相色谱仪色谱柱该怎样选择
- 11个月前白酒分析气相色谱仪怎么操作
- 11个月前白酒含量分析方法有哪些
- 11个月前气相色谱仪分流量与分流比对物质的分离测定有何影响?
- 11个月前绝缘油中溶解气体组分含量的气相色谱检测
- 1年前山东谱析仪器公司开工大吉 2025年正月初六
- 1年前白酒分析气相色谱仪工作原理
- 1年前气相色谱仪检测白酒中甲醇的测定方法




